


应用
适用于在高温下易分解,聚合和变质的热敏性物料的低温干燥;被广泛地采用在制药、化工、食品、电子等行业。原理
所谓真空干燥,就是将干燥物料处在真空条件下,进行加热干燥,如果利用真空泵进行抽气抽湿,则加快了干燥速率。技术特点
• 真空下物料溶液的沸点降低,使蒸发器的传热推动力增大,因此对一定的传热量可以节省蒸发器的传热面积。典型用户
• 先声药业集团YZG-1400 圆形真空干燥器

FZG-15 方形真空干燥器

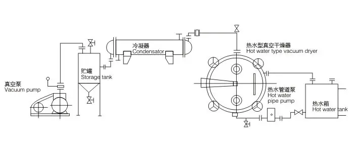
热水加热,溶剂回收真空干燥系统图

蒸汽加热,溶剂不回收真空干燥系统图

技术参数